网店首页
公司简介
产品展示
供求商机
诚信档案
公司动态
人才招聘
联系方式

公司介绍

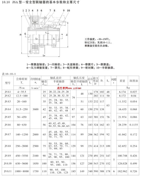
沧州天硕联轴器有限公司   我公司联轴器品种齐全,其主要产品有小型万向节、十字轴式万向联轴器、弹性联轴器、膜片联轴器、鼓形齿式联轴器、刚性联轴器、精密联轴器、胀紧联结套八个大类,166种2849个型号联轴器参数上万个规格的产品 我公司联轴器生产优势:规模大、产品全、质量好、工期短、价格低。我公司承接各种非标联轴器的设计与制造,数量不限。公司借鉴JIT管理模式,产品制作工期一般为10-15天,小批量产品可在3-7天完成,部分产品已经实现现货供应。 沧州天硕联轴器有限公司(原泊头天硕联轴器厂),是国内最大的联轴器生产厂家之一,拥有十五年专业

公司主页: http://www.ts-lianzhouqi.com 公司性质: 企业单位
企业类型: 生产厂家 联系人: 何红
员工人数: 50 ~ 100人 公司所在地: 河北,,沧州市

联系方式